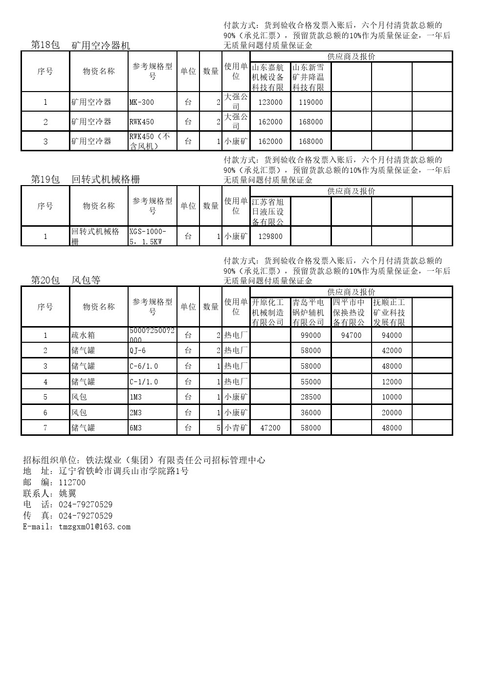
当前位置:网站首页

2022年7月5日机电设备开标记录表(0041S)