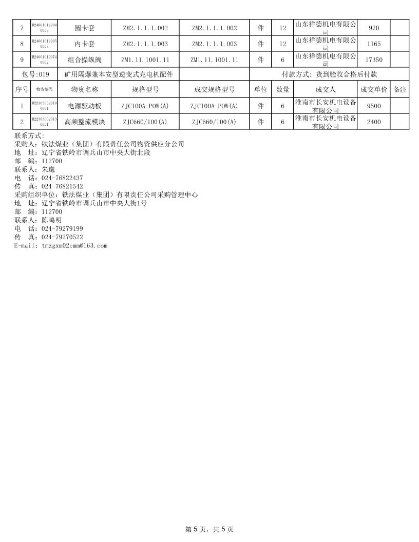
当前位置:网站首页

2026年2月4日配件直采成交结果(0004P)