当前位置:网站首页

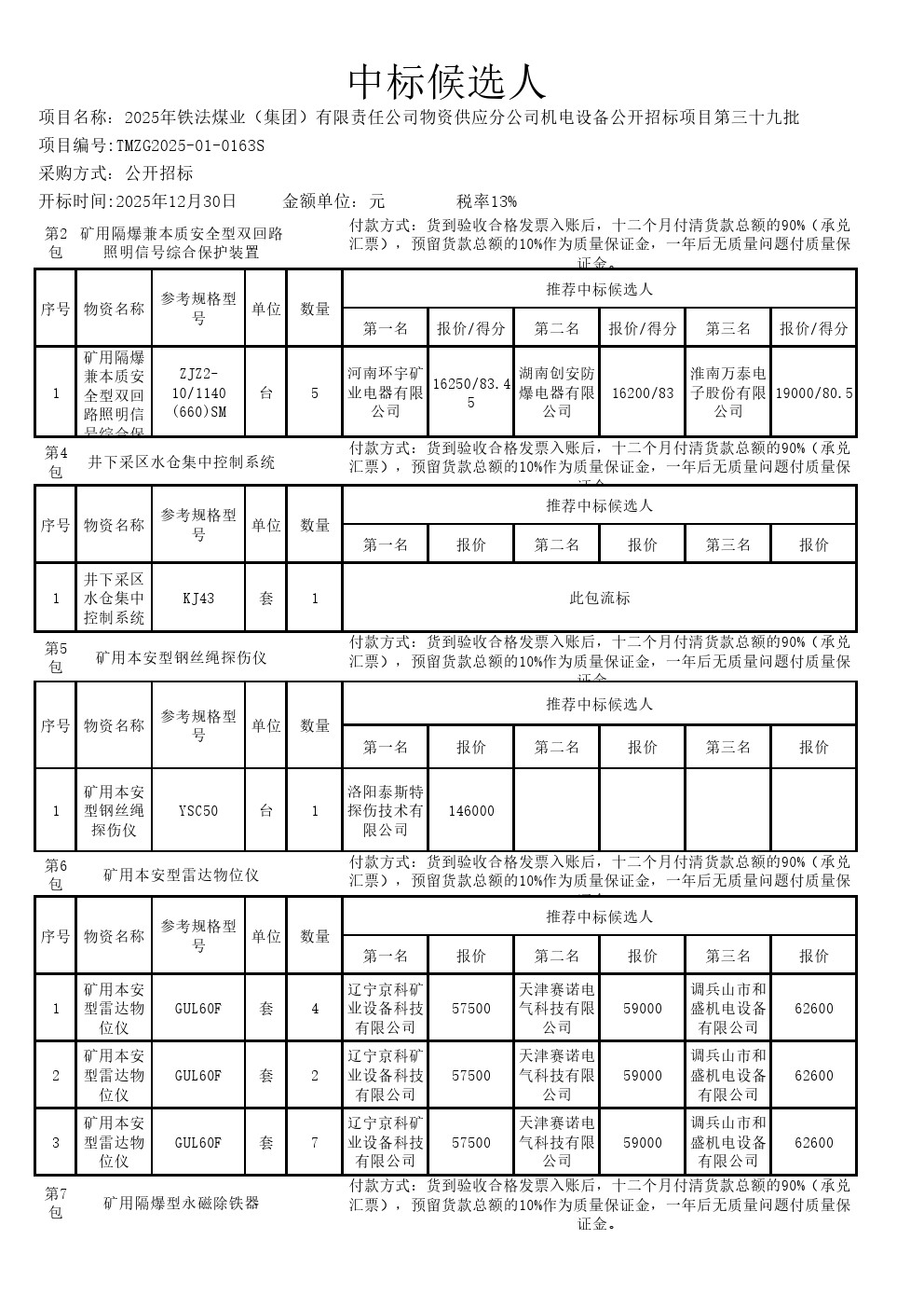
2025年12月30日机电设备中标候选人公示(0163S)-1