当前位置:网站首页

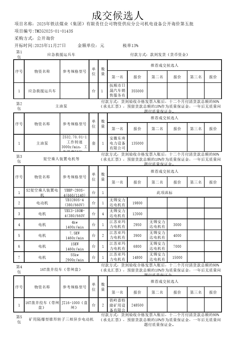
2025年11月27日机电设备公开询价成交候选人公示(0143S)