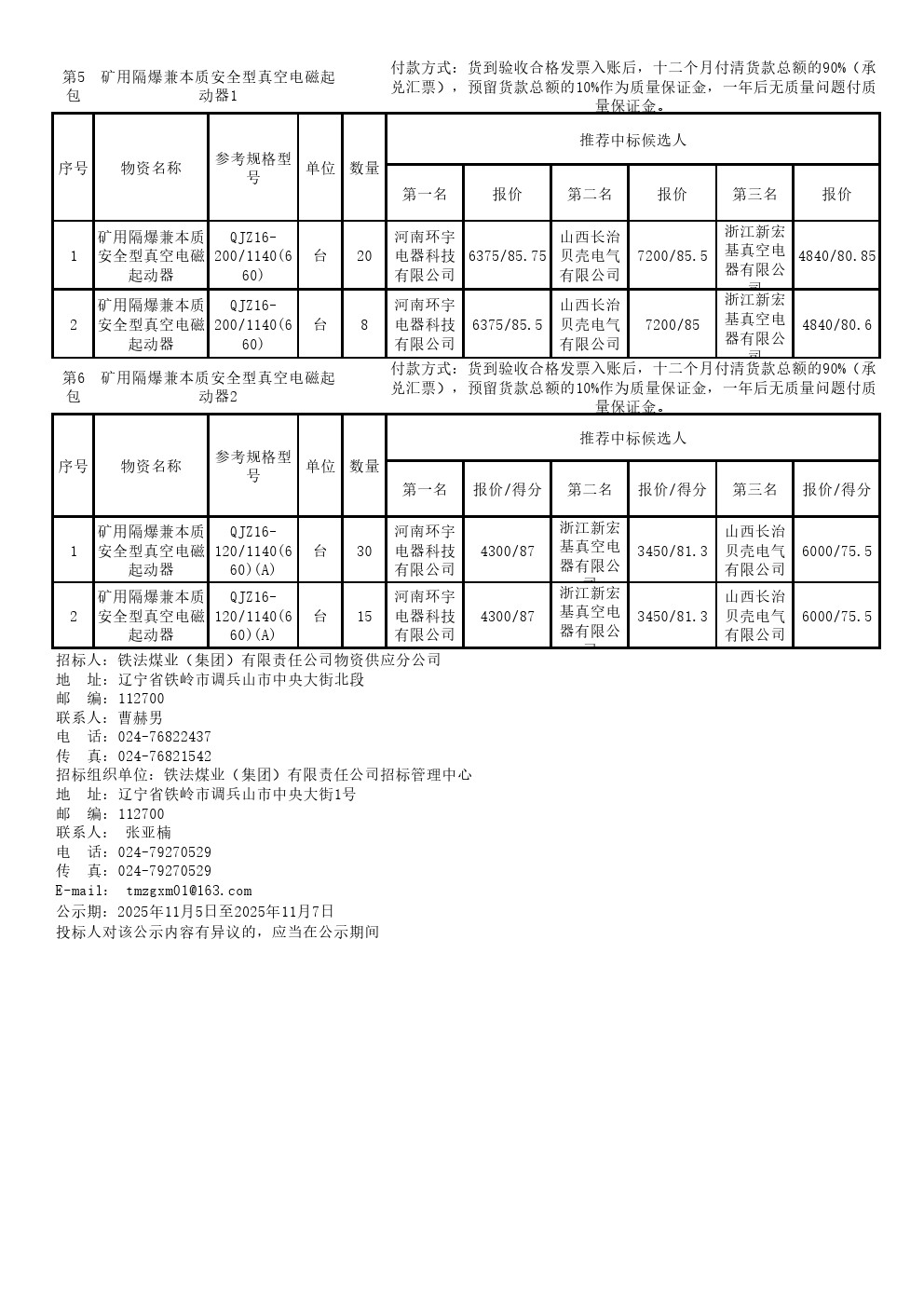
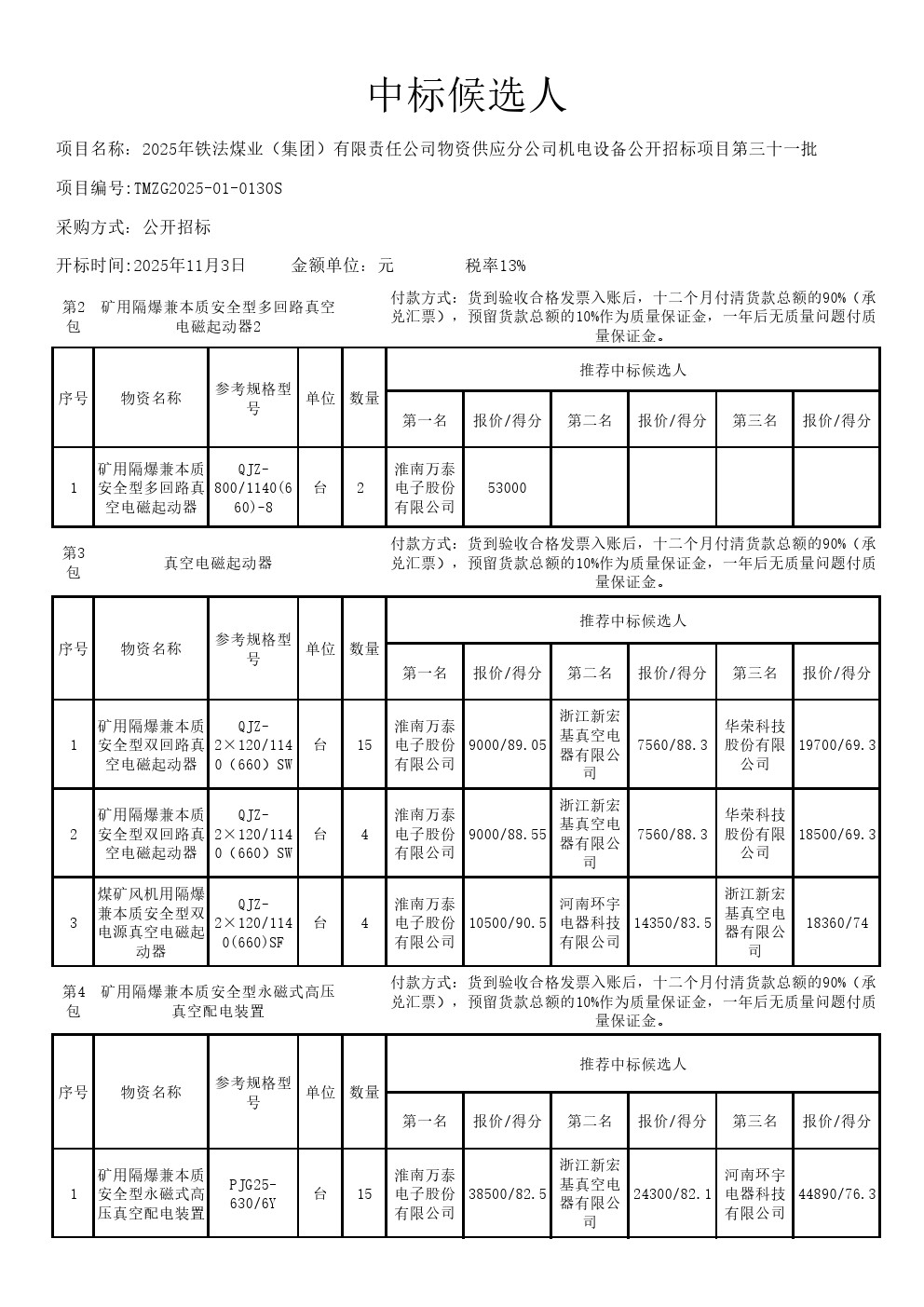
当前位置:网站首页

2025年11月3日机电设备公开招标中标候选人公示(0130S)