当前位置:网站首页

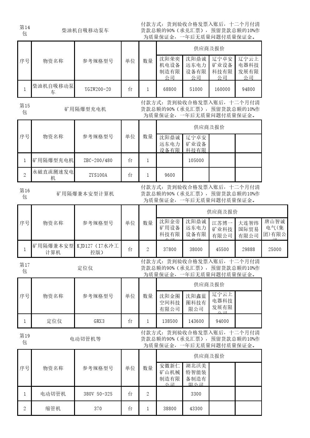
2025年10月23日机电设备公开询价开标一览表(0121S)