当前位置:网站首页

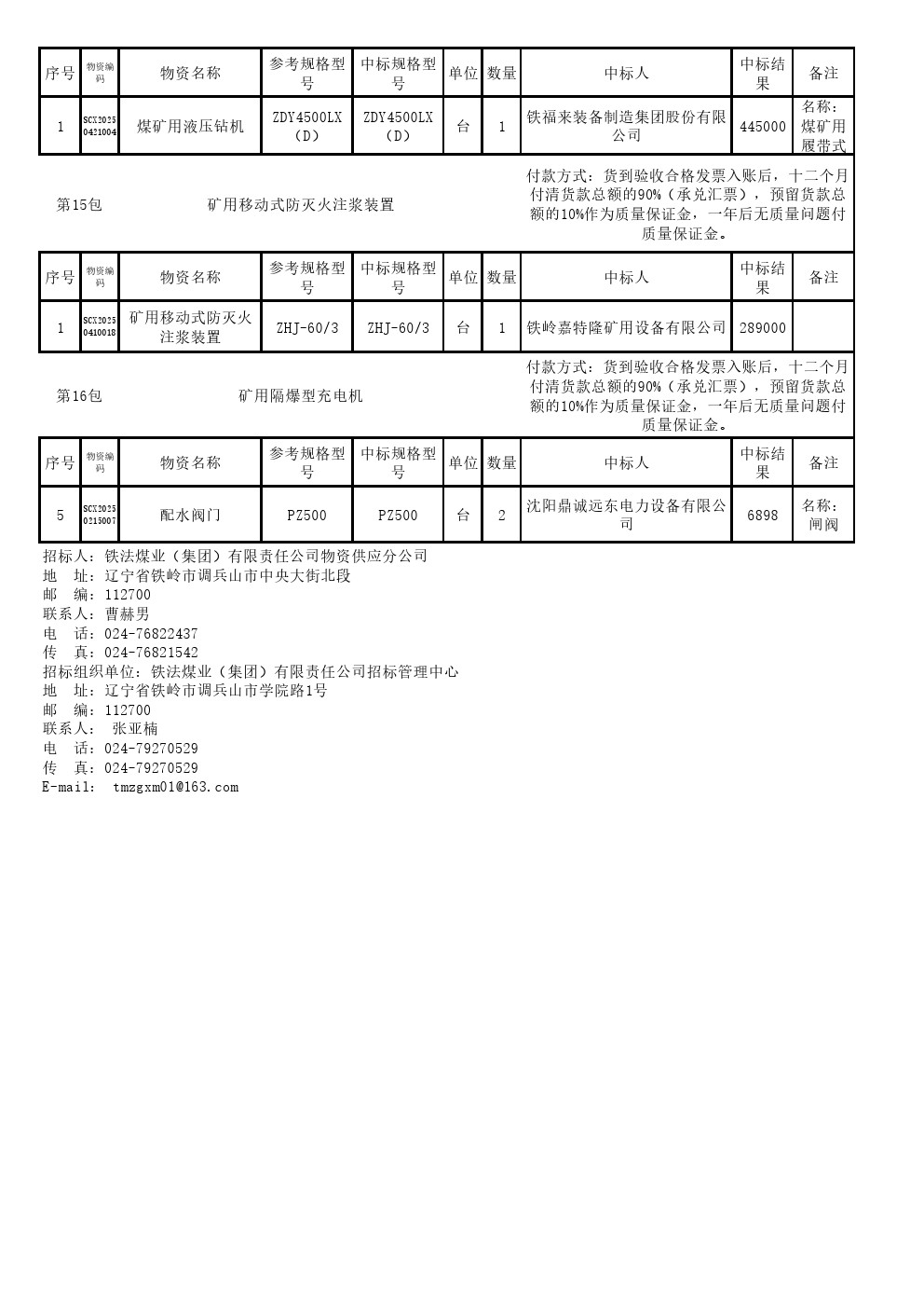
2025年机电设备公开招标中标结果公示(0099S)