当前位置:网站首页

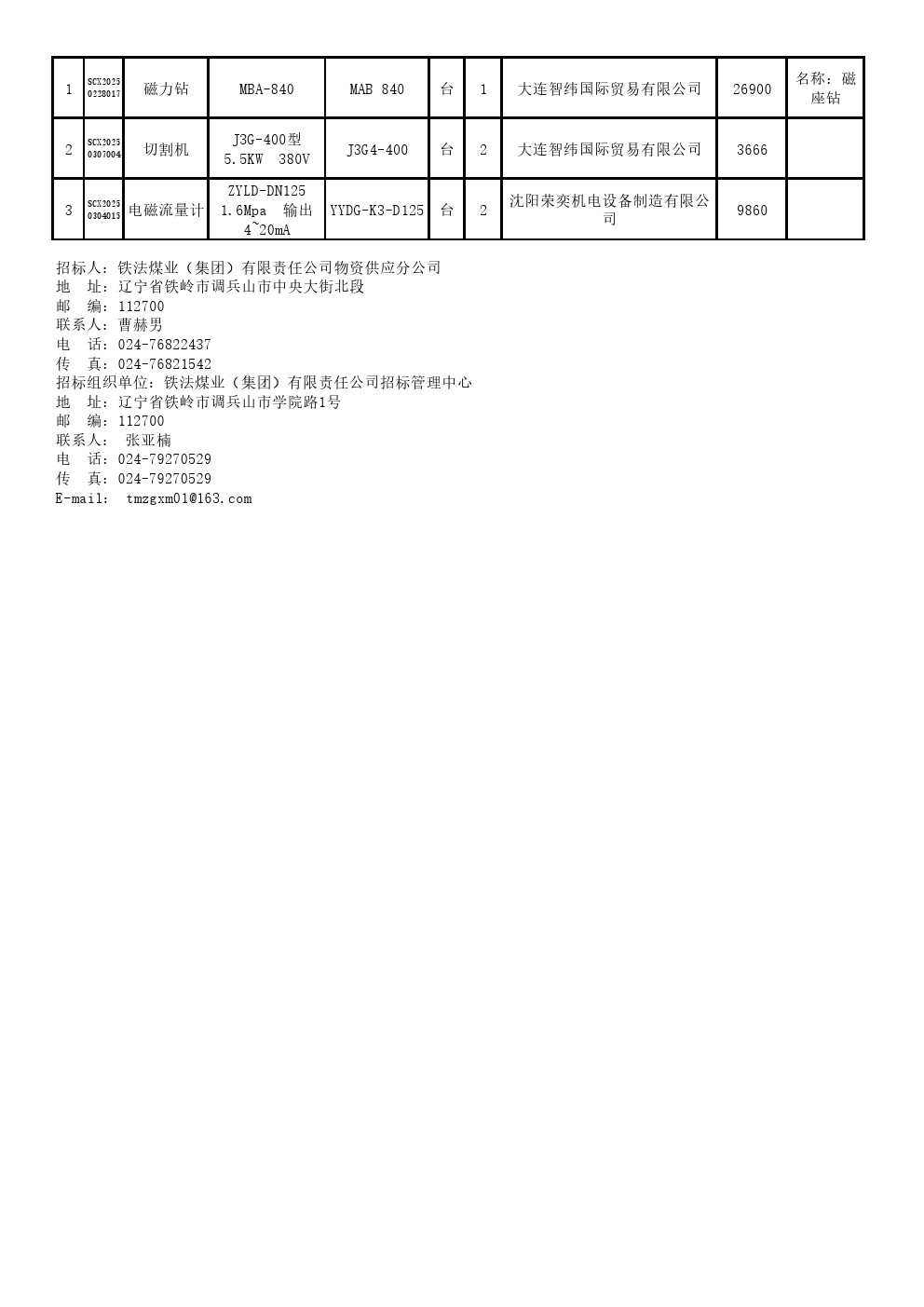
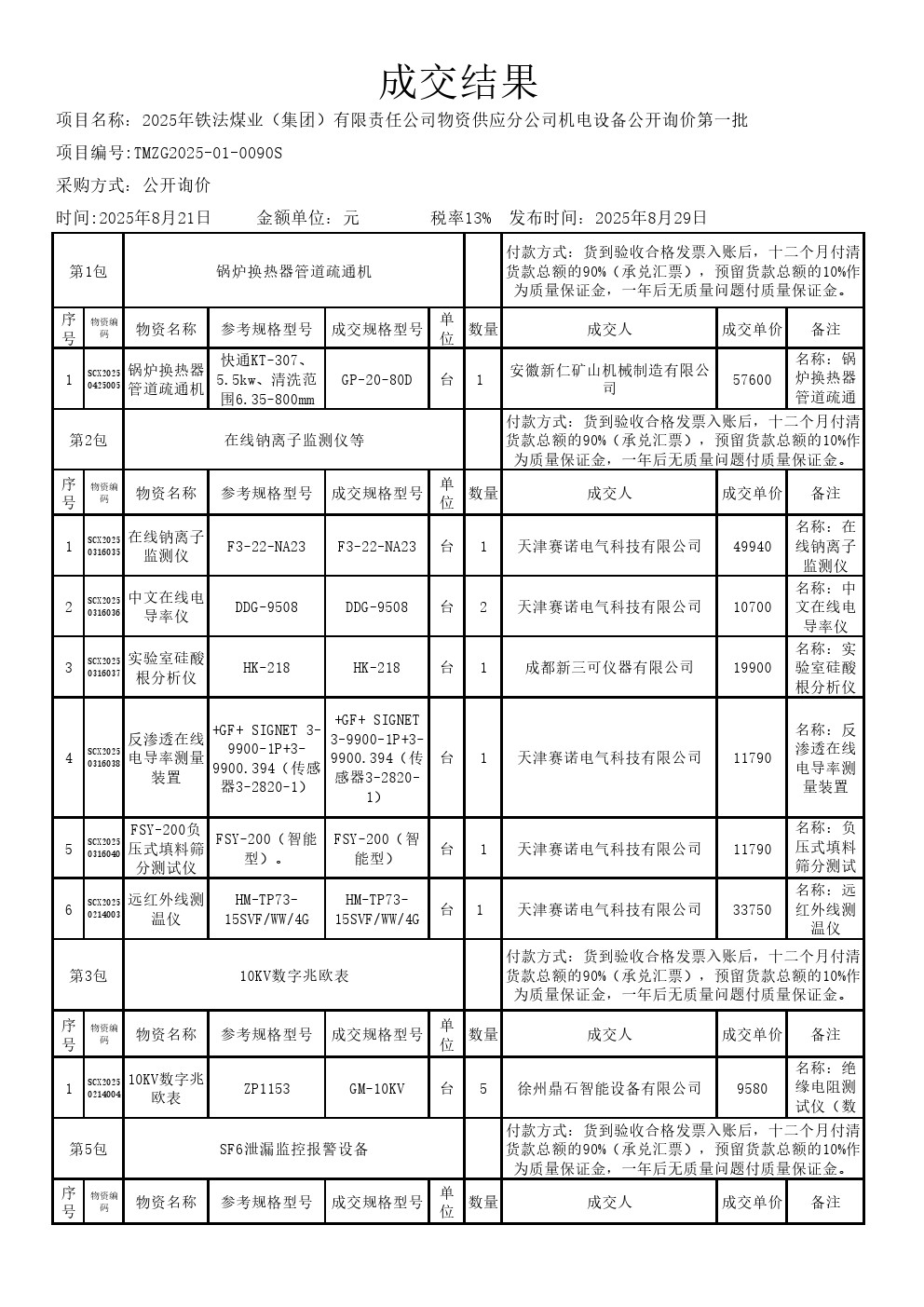
2025年8月21日机电设备公开询价成交结果公示(0090S)