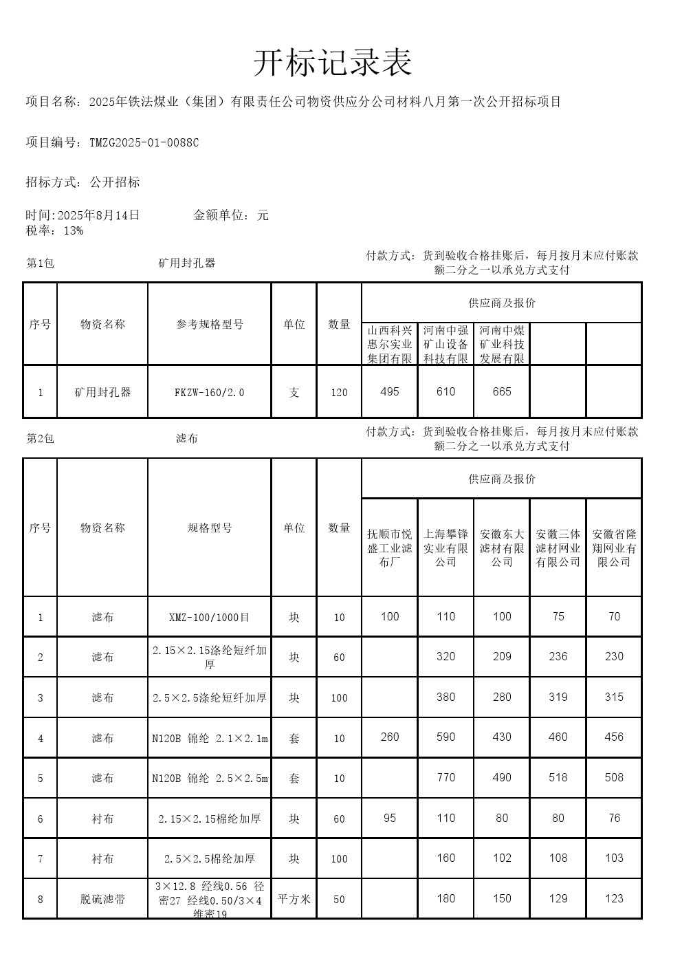
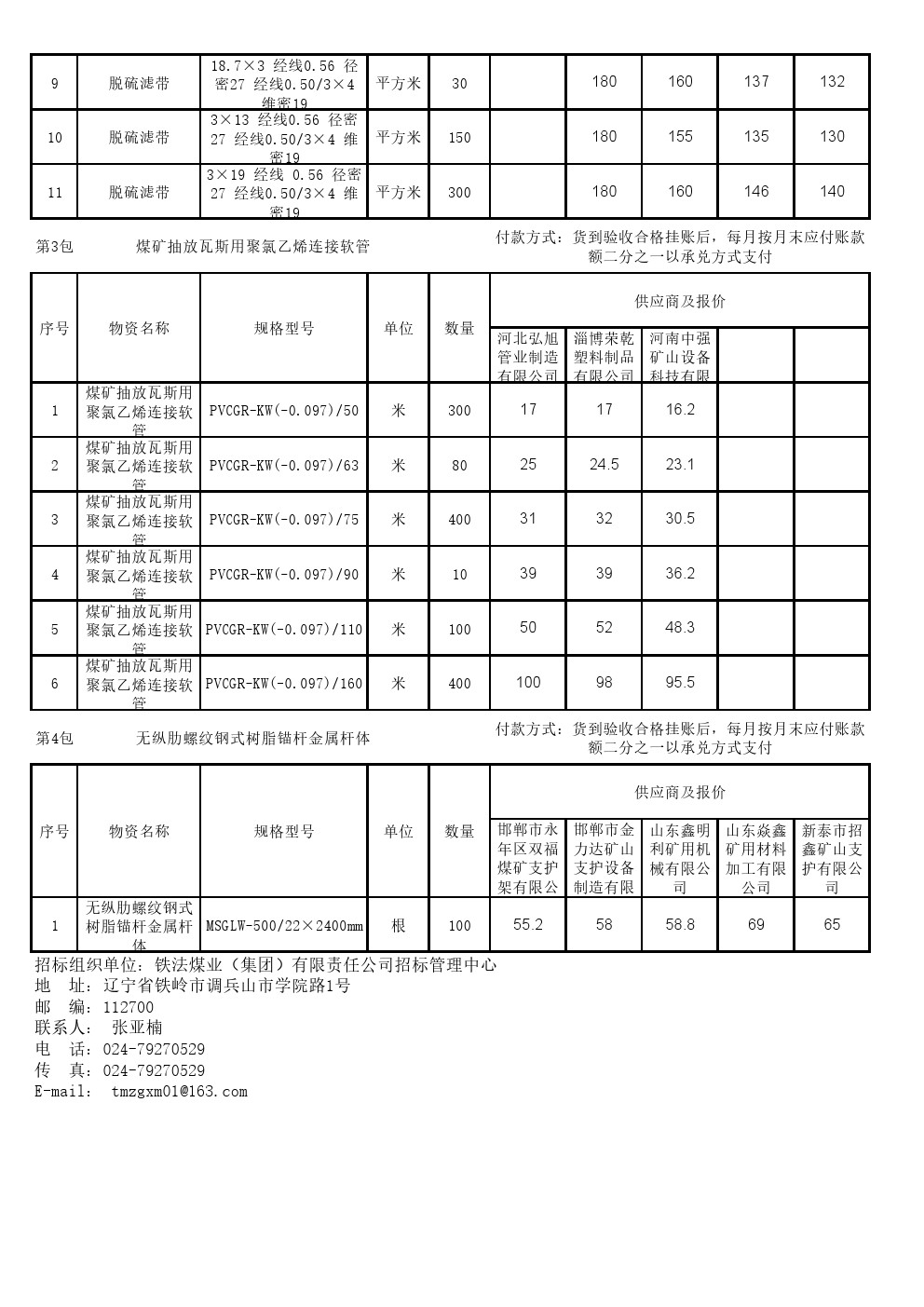
当前位置:网站首页

2025年8月14日材料公开招标开标一览表(0088C)