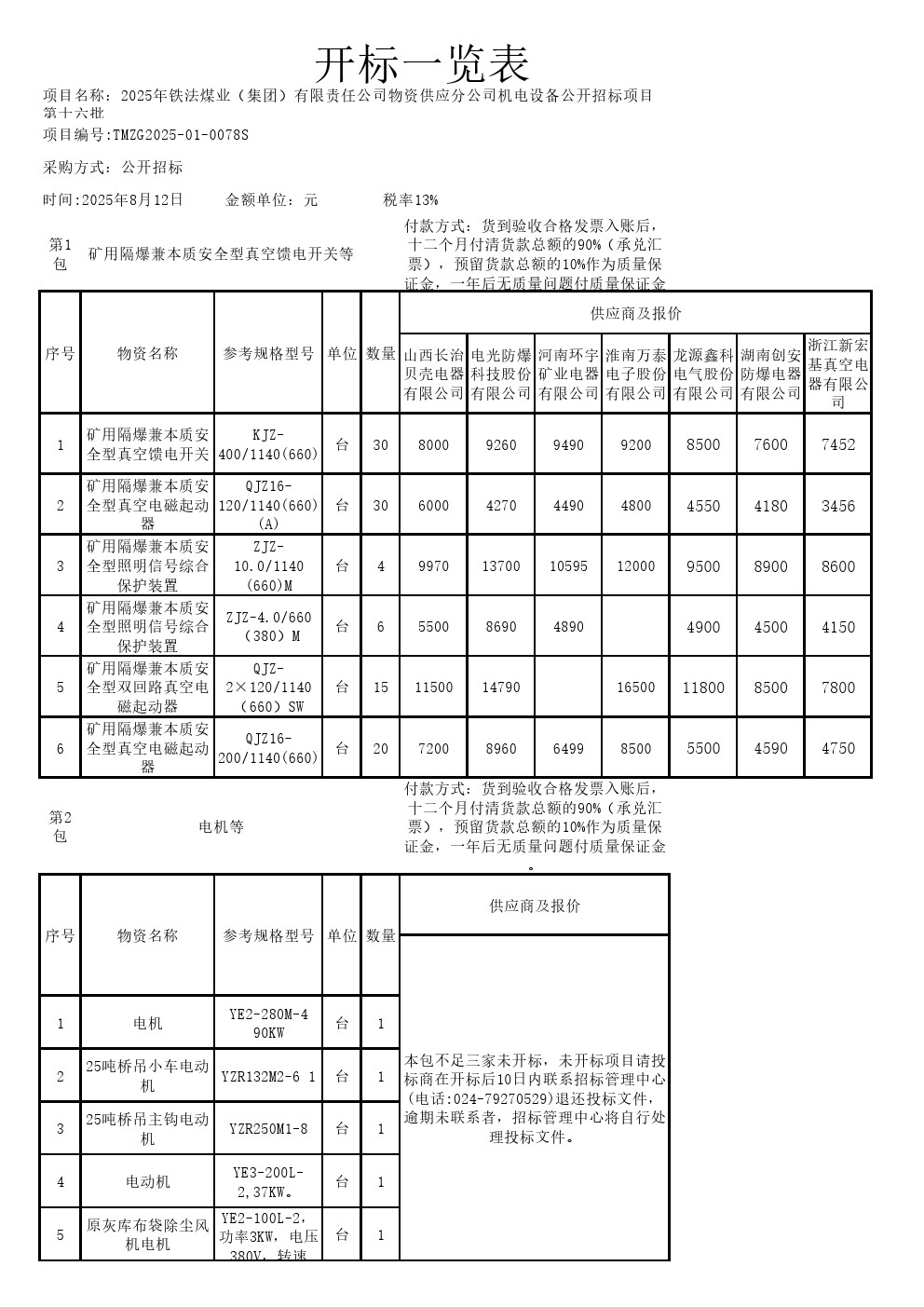
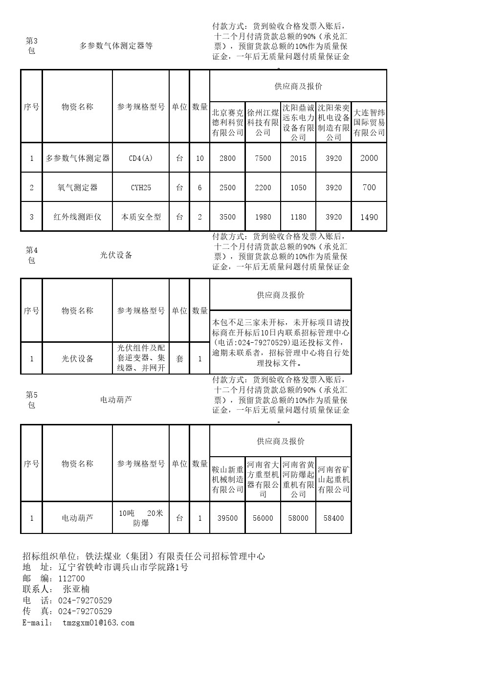
当前位置:网站首页

2025年8月12日设备公开招标报价一览表(0078S)